Comment Bitte beachten Sie:
  • Alle Autoren akzeptieren mit dem Upload ihres Werkes die PhySX-Nutzungsbedingungen !
  • Sämtliche urheberrechtlich geschützte Medien, d.h. nicht-selbst erstellte Bilder, Medien und Videos werden kommentarlos gelöscht!

Von der Diode zum Transistor

Aus PhySX - Physikalische Schulexperimente Wiki
Zur Navigation springen Zur Suche springen
Von der Diode zum Transistor
Möglicher Demonstrationsaufbau

Transistor-Versuchsreihe

Kurzbeschreibung
Die folgende Versuchsreihe umfasst 5 Teilversuche und zielt darauf ab, die Funktionsweise eines Halbleitertransistors zu verdeutlichen, indem sie auf dem Wissen um die Funktionsweise einer Halbleiterdiode aufbauend einen Halbleitertransistor mit seinen grundlegenden Eigenschaften zeigt.
Kategorien
Elektrizitätslehre Halbleitertechnik
Einordnung in den Lehrplan
Geeignet für: Sek. II.
Basiskonzept: System
Sonstiges
Durchführungsform Lehrerdemonstrationsexperiment
Anzahl Experimente in dieser Unterkategorie 5 (Versuchsreihe)
Anspruch des Aufbaus mittel
Informationen
Name: Daniel Kretschmer
Kontakt: @
Uni: Humboldt-Universität zu Berlin
Betreuer*in: Steffen Wagner
This box: view  talk  edit  

Dieser Eintrag umfasst die Beschreibung einer Versuchsreihe, die dazu erdacht wurde, den Halbleitertransistor als elektronisches Halbleiterbauelement einzuführen. Die beschriebenen Teilversuche bauen aufeinander auf und können gegebenenfalls schrittweise und mit wenig Aufwand aus der grundlegenden Diodenschaltung in einem Fluss entwickelt und demonstriert werden. Die separate Verwendung der Teilversuche ist möglich, wird in diesem Artikel aber nicht didaktisch hinterfragt.
Die Versuchsreihe basiert auf notwendigem Vorwissen zur Funktion der Diode als elektronisches Halbleiterbauelement. Auf der Diode aufbauend wird die Funktionsweise des Halbleitertransistors schrittweise demonstriert, wobei die Versuchsreihe mit der exemplarischen Vermessung der Eingangs- und Ausgangskennlinie des Halbleitertransistors endet.

HINWEIS
Die Grundlage aller dargestellten elektrischen Schaltungen ist ein npn-Transistor in einer Emitter-Schaltung (vgl. Basis- bzw. Kollektor-Schaltung).


Didaktische Betrachtung

Versuchsreihe zur synthetischen Erkenntnisgewinnung

In der [...] Didaktik wird üblicherweise nicht zwischen induktivem und deduktivem Verfahren als Lehrverfahren unterschieden, sondern zwischen synthetischem und analytischem Verfahren.* Auch hier geht es um den Weg vom Besonderen zum Allgemeinen und umgekehrt vom Allgemeinen zum Besonderen. Beim synthetischen Verfahren werden zuerst die Elemente eines Systems [erkundet] und dann die Elemente nach bestimmten Regeln verknüpft. Das analytische Verfahren geht dagegen vom komplexen Gesamtsystem aus und schreitet zu den Elementen des Systems vor. (vgl. Duit, Häussler, Kircher[1] (1981), S. 115 ff.). Dazu kann die Kombination der beiden Verfahren, das analytisch-synthetische Verfahren, den Erkundungsprozess noch erfolgreicher gestalten.
Beim analytisch-synthetischen Verfahren wird von einer zu erkundenden Gesamterscheinung ausgegangen, die im ersten Schritt gedanklich bzw. praktisch einer gewissen Ordnung folgend in ihre Bestandteile zerlegt wird (analytisches Verfahren). Im zweiten Schritt werden die einzelnen Bestandteile und ihre Funktion erkundet. Abschließend wird die ursprüngliche Gesamterscheinung wieder zusammengeführt (synthetisches Verfahren) und ist dann idealerweise als Ganzes bzw. als Konstrukt ihrer Teile verständlich gemacht geworden. Dabei ist die Analyse ohne anschließende Synthese didaktisch wenig sinnvoll. Für das erfolgreiche Erkunden einer Gesamterscheinung aber muss die Analyse nicht zwingend Teil des Unterrichts sein, solange die Synthese grundsätzlich nachvollziehbar ist.
Die vorliegende Versuchsreihe zeigt synthetischen Charakter. Die geeignete analytische Zerlegung ist vorher erfolgt. Sinn und Zweck der Versuchsreihe ist, das Verständnis für die Funktionsweise des Halbleitertransistors aus dessen einzelnen Eigenschaften im Laufe der Versuchsreihe zu synthetisieren. Die Versuchsreihe fordert im ersten Teilversuch grundsätzliches Verständnis zur Funktionsweise der Halbleiterdiode und schafft im zweiten Teilversuch den Transfer der Diodeneigenschaften auf die Basis-Emitter-Strecke des Transistors. Der dritte Versuch der Reihe zeigt den so genannten Transistoreffekt und den Halbleitertransistor als schaltendes und verstärkendes Bauelement. Im vierten bzw. fünften Schritt werden das Eingangs- und Ausgangskennlinienfeld des Transistors, in denen sich charakteristische Halbleitereigenschaften zeigen, eingeführt.

Aus aktueller Sicht ist der Ausschluss des induktiven und des deduktiven Verfahrens als Lehrverfahren so nicht haltbar.

Versuchsanleitung

DEMONSTRATIONSHINWEISE
Da die beschriebene Veruchsreihe ursprünglich dazu erdacht worden ist, schrittweise demonstriert zu werden, sind die wesentlichen Versuchsbestandteile entsprechend zu arrangieren. Ein Versuch, dies zu bewerkstelligen, wird auf dem Titelfoto dieses Artikels gezeigt (siehe Möglicher Demonstrationsaufbau). Die einzelnen Schaltungen sind möglichst so gebaut, dass mit wenig Aufwand von einer Schaltung in die nächste umgebaut werden kann.
Für die Messung der elektrischen Stromstärke wurden kennzeichnend gelbe Kabel verwendet, für die Messung der elektrischen Spannung bzw. des Stromstärkeäquivalent über einem ohmschen Widerstand grüne Kabel.

Spezifikationen der Demonstrationsmessgeräte:

  • Multifunktionales PHYWE-Demonstrationsmessgerät
  • CASSY-Modul und CASSY-Lab 2 (Leybold Didactic 524 221 [1])

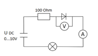
Diodenschaltung (Teilversuch 1)

Diodenschaltung
Diodenschaltung Schaltbild

Aufbau

Die Diodenschaltung ist eine Serienschaltung und setzt sich aus Gleichspannungsquelle, ohmschen Widerstand, Halbleiterdiode und Glühlampe zusammen. Für die gegebenen Messungen sind Volt- und Amperemeter parallel zur Halbleiterdiode bzw. in Serie zur Halbleiterdiode zu schalten (siehe Schaltskizze). Der ohmsche Widerstand dient der Begrenzung der elektrischen Stromstärke im Stromkreis, sodass die Halbleiterdiode im Rahmen ihrer Verträglichkeit betrieben werden kann.

Schaltelemente und Spezifikationen:

  • Gleichspannungsquelle (-15 V ... 0 ... +15 V, Leybold Didactic 521 45 [2]))
  • ohmscher Widerstand (100 Ohm, Leybold Didactic 577 32)
  • Halbleiterdiode (1N4007, Leybold Didactic 578 51)
  • Glühlampe (3.5 V, 0.2 A, 0.7 W) mit Fassung (Leybold Didactic 579 06)
  • Volt- und Amperemeter bzw. CASSY-Modul
  • Schaltbrücken
  • Kabel

Durchführung und Ergebnisse

Diodenkennlinie (QtiPlot)

Die Diodenschaltung liefert in der dargestellten Form sowohl qualitative wie auch quantitative Befünde zum Verhalten der Halbleiterdiode.
Wird die Halbleiterdiode in Durchlassrichtung beschaltet, kann beobachtet werden, dass bei einer Variation der eingehenden Gleichspannung von 0 bis 10 V die Glühlampe ab einer Gleichspannung von ca. 0,7 V (Durchlassspannung einer Silizium-Halbleiterdiode) zu leuchten beginnt und darüber stetig an Helligkeit gewinnt. In Sperrrichtung ist im verwendeten Spannungsbereich kein Aufleuchten der Glühlampe zu beobachten, da die Halbleiterdiode in dieser Beschaltung einen vollkommenen ohmschen Widerstand bietet.
In Durchlassrichtung kann eine charakteristische Diodenkennlinie (siehe Abbildung Diodenkennlinie (rechts)) aufgenommen werden, wobei die eingehende Gleichspannung im Bereich von 0 bis 1 V zu variieren ist und die entsprechende Stromstärke dazu abgetragen wird. Dabei ergibt sich der charakteristische, exponentielle Verlauf zwischen Spannung und Stromstärke über der Halbleiterdiode.

Auswertung

Die gezeigte, gemessene Diodenkennlinie genügt der theoretischen Beschreibung einer Halbleiterdiode in Durchlassrichtung gemäß der Diodengleichung
.

  • ... Sättigungsstromstärke der Diode
  • ... Diffusionsspannung der Diode
  • ... Temperaturspannung


Die Messgenauigkeit des Versuchs ist maßgeblich durch die Messgenauigkeit der CASSY Lab-Software beschränkt. Die Software erlaubt die Messung der elektrischen Spannung mit einer Unsicherheit von und die Messung der elektrischen Stromstärke mit einer Unsicherheit von . Die statistischen Messunsicherheiten sind dagegen vernachlässigbar.

Basis-Emitter-Schaltung (Teilversuch 2)

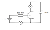
Basis-Emitter-Diodenschaltung
Basis-Emitter-Diodenschaltung Schaltbild

Aufbau

Der Aufbau der Basis-Emitter-Schaltung ist bis auf ein Schaltelement identisch mit dem der Diodenschaltung. Anstelle der Halbleiterdiode wird die Basis-Emitter-Strecke des Halbleitertransistors geschaltet (siehe Schaltskizze (rechts), vgl. Diodenschaltung - Aufbau)

Schaltelemente und Spezifikationen:

  • Gleichspannungsquelle (-15 V ... 0 ... +15 V, Leybold Didactic 521 45 [3])
  • ohmscher Widerstand (100 Ohm, Leybold Didactic 577 32)
  • npn-Halbleitertransistor (BD 137, Leybold Didactic 578 67 [4])
  • Glühlampe (3.5 V, 0.2 A, 0.7 W) mit Fassung (Leybold Didactic 579 06)
  • Volt- und Amperemeter bzw. CASSY-Modul
  • Schaltbrücken
  • Kabel

Durchführung und Ergebnis

An der Basis-Emitter-Strecke des Transistors kann ein diodenähnliches elektrisches Verhalten festgestellt werden (vgl. Diodenschaltung - Durchführung und Ergebnis). Der Diodencharakter kann auch hier qualitativ an der Glühlampe und quantitativ durch Vermessung der Basis-Emitter-Kennlinie, die der charakteristischen Diodenkennlinie gleicht, nachgewiesen werden.

Auswertung

Bei der Verwendung eines Transistors in der so genannten Emitter-Schaltung wird die Leitfähigkeit des Transistors über die Basis-Emitter-Strecke gesteuert (vgl. Basis- bzw. Kollektor-Schaltung). Die Erkenntnis, dass sich die Basis-Emitter-Strecke wie eine Diode verhält, ist eine Erkenntnis, die für das Verständnis der Funktion eines Transistors erforderlich ist.

Transistorschaltung (Teilversuch 3)

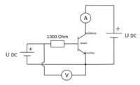
Transistoreffekt
Transistoreffekt Schaltbild

Aufbau

Die Transistorschaltung setzt sich aus zwei Gleichstromkreisen zusammen, die durch den verwendeten Transistor zu einer elektronischen Schaltung gekoppelt werden (siehe Schaltskizze). In den Teilstromkreisen befinden sich zwei voneinander unabhängige Gleichspannungsquellen und je eine von zwei baugleichen Glühlampen. Der Basis-Emitter-Stromkreis ist um einen Vorwiderstand ergänzt.

Schaltelemente und Spezifikationen::

  • 2x Gleichspannungsquelle (-15 V ... 0 ... +15 V, Leybold Didactic 521 45 [5])
  • ohmscher Widerstand (100 Ohm, Leybold Didactic 577 32)
  • npn-Halbleitertransistor (BD 137, Leybold Didactic 578 67 [6])
  • 2x Glühlampe (3.5 V, 0.2 A, 0.7 W) mit Fassung (Leybold Didactic 579 06)
  • Volt- und Amperemeter bzw. CASSY-Modul
  • Schaltbrücken
  • Kabel

Durchführung und Ergebnis

Für die Demonstration des so genannten Transistoreffekts wird die Basis-Emitter-Strecke in Durchlassrichtung und die Kollektor-Emitter-Strecke in Sperrrichtung betrieben. Man beachte, dass Transistoren konventionell für die technische Stromrichtung gekennzeichnet sind. Die Kollektor-Emitter-Strecke wird mit einer konstanten Gleichspannung beschaltet - erprobt mit 3 V. An der Basis-Emitter-Strecke wird eine variable Gleichspannung von 0 bis 10 V angelegt.
Wird bei konstanter Kollektor-Emitter-Spannung die Basis-Emitter-Sapnnung gesteigert, ist zu beobachten, dass bis zu einer Basis-Emitter-Spannung von ca. 0,7 V (Durchlassspannung) keine der beiden Glühlampen leuchtet. Darüber hinaus beginnen beide Glühlampen zu leuchten. Dabei übertrifft die Glühlampe im Kollektor-Emitter-Stromkreis die Helligkeit der anderen Glühlampe deutlich.

Auswertung

Was den Transistoreffekt ausmacht, ist die Möglichkeit, einen elektrischen Strom vergleichsweiser hoher Stromstärke durch einen elektrischen Strom geringer Stromstärke zu steuern.
An der Kollektor-Emitter-Strecke liegt eine konstante Gleichspannung an. Mit welcher Stromstärke die Kollektor-Emitter-Strecke durchflossen wird, hängt vom elektrischen Widerstand ab, der wiederum durch den Steuerstrom an der Basis-Emitter-Strecke reguliert wird. Bei genügend hoher Steuerstromstärke wird die Basis-Emitter-Strecke mit ihrem Diodencharakter elektrisch durchlässig und erlaubt, dass die Kollektor-Emitter-Strecke elektrisch durchflossen werden kann. Dabei nimmt der elektrische Widerstand der Kollektor-Emitter-Strecke mit der Stärke des Basis-Emitter-Stroms stetig ab und strebt einem Minimum bzw. einem Sättigungszustand entgegen. Die Helligkeit der Glühlampen entspricht der über ihnen abfallenden Leistung. Durch die geringe Leistung des Steuerstroms gegenüber der Leistung über Kollektor und Emitter erklärt sich die Beobachtung, die im Versuch gemacht wird.

Eingangs- und Ausgangskennlinienfeld des Transistors (Teilversuch 4/5)

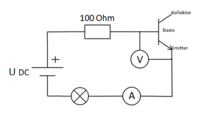
Kennlinienfelder
Kennlinienfelder Schaltbild
Eingangskennlinie
Ausgangskennlinie

Der Begriff Kennlinienfeld geht darauf zurück, dass u.a. beim Transistor Kennlinien unter variierenden Bedingungen aufgenommen werden können.
Bei der Eingangskennlinie bedeutet dies z.B. dass der Verlauf der Steuerstromstärke auf der Basis-Emitter-Strecke gegenüber der Kollektor-Emitter-Stromstärke bei verschiedenen Kollektor-Emitter-Spannungen variiert und sich die Kennlinie entsprechend verschiebt. Über alle möglichen Kollektor-Emitter-Spannungen integriert überstreicht die Kennlinie den gesamten ersten Quadranten, in dem die Eingangskennlinie üblicherweise dargestellt.

Aufbau

Der Aufbau der Schaltung zur Vermessung der Eingangs- und Ausgangskennlinie ähnelt der Transistroschaltung (siehe Schaltskizze (rechts), vgl. Transistorschaltung - Aufbau), allerdings fallen die beiden Glühlampen heraus. Dafür bedarf die neue Schaltung eines Ampere- und eines Voltmeters. Die beiden eingebrachten Gleichspannungsquellen lassen die Einstellung gewisser Gleichspannungen unabhängig voneinander zu.

Schaltelemente und Spezifikationen:

  • 2x Gleichspannungsquelle (-15 V ... 0 ... +15 V, Leybold Didactic 521 45 [7])
  • ohmscher Widerstand (1 kOhm, Leybold Didactic 577 44)
  • npn-Halbleitertransistor (BD 137, Leybold Didactic 578 67 [8])
  • Volt- und Amperemeter bzw. CASSY-Modul
  • Schaltbrücken
  • Kabel

Durchführung und Ergebnis

Die Vermessung beider Kennlinienfelder kann an demselben Aufbau erfolgen, weshalb zur Durchführung beider Teilversuche eine gemeinsame Beschreibung gegeben wird.
Die Aufnahme einer Eingangs- bzw. Ausgangskennlinie erfolgt unter Variation der elektrischen Spannung der entsprechenden Gleichspannungsquelle unter gleichbleibender Spannung durch die jeweils andere Gleichspannungsquelle. Für die Aufnahme der Eingangskennlinie (siehe Abbildung Eingangskennlinie) des verwendeten Transistors wurde die Kollektor-Emitter-Strecke mit einer konstanten Gleichspannung von 1 V beschaltet und dabei die Gleichspannung über der Basis-Emitter-Strecke zwischen 0 und 5 V variiert. Bei der Bestimmung der Ausgangskennlinie (siehe Abbildung Ausgangskennlinie) wurde die Basis-Emitter-Strecke mit einer konstanten Gleichspannung von 3 V beschaltet, wobei die Kollektor-Emitter-Strecke variabel mit einer Gleichspannung zwischen 0 und 5 V versorgt wurde.

Auswertung

Die Eingangskennlinie zeigt den Verstärkercharakter des Transistors. Bis zu einer Stromstärke von ca. 0,007 A (0,7 V Gleichspannung über 100-Ohm-Widerstand (siehe Schaltskizze)) verläuft die Eingangskennlinie flach bzw. auf Nullniveau, da sich der Transistor in diesem Bereich nicht im leitenden Zustand befindet. Darüber hinaus besteht experimentell ein näherungsweise proportionaler Zusammenhang zwischen Basis-Emitter- und Kollektor-Emitter-Stromstärke, wie ihn grundlegende theoretische Modelle vorhersagen. Das verstärkende Verhalten tritt beim verwendeten Transistor im beschriebenen Spannungs- bzw- Stromstärkebereich auf und darf darüber hinaus nicht erwartet werden. In einem gewissen Steuerstromintervall führt eine Steigerung des Steuerstroms an der Basis-Emitter-Strecke des Transsitors zu einer steten, näherungsweise linearen Verringerung des elektrischen Widerstands über der Kollektor-Emitter-Strecke, wodurch die Kollektor-Emitter-Stromstärke steigt. Wird der Steuerstrom weiter erhöht, tritt durch Überflutung des Halbleiters mit Ladungsträgern ein konstanter Widerstand auf.
Die Ausgangskennlinie zeigt den möglichen Sättigungscharakter des Transistors. Wird über der Basis-Emitter-Strecke des Transistors ein gewisser Steuerstrom geleitet, dann steht im Halbleiter eine bestimmte Ladungsmenge in Form von Ladungsträgern zur elektrischen Leitung zur Verfügung. Je nach Kollektor-Emitter-Spannung kann so ein Kollektor-Emitter-Strom einer bestimmten Stärke fließen. Bis zum Auftreten der Sättigung kann die Kollektor-Emitter-Stromstärke näherungsweise linear über die angelegte Gleichspannung geregelt werden. Darüber hinaus tritt die Sättigung der Stromstärke ein. Überschreitet die angelegte Gleichspannung die Sättigungsgrenze werden alle verfügbaren Ladungsträger in den Leitungsprozess vom Kollektor zum Emitter einbezogen und die auftretende Stromstärke stagniert.

Verlauf der didaktischen Synthese

HINWEIS
An dieser Stelle sei erneut darauf hingewiesen, dass der verwendete Halbleitertransistor durchgängig in der so genannten Emitter-Schaltung gezeigt wurde.

Die in den vorliegenden Schaltungen für die beabsichtigte Synthese wesentlichen Bestandteile des Transistors sind die Basis-Emitter-Strecke und die Kollektor-Emitter-Strecke. Dabei wird die Basis-Emitter-Strecke des Transistors zuerst im direkten Vergleich mit einer Halbleiterdiode als diodenähnliches Bauteil gezeigt und kennengelernt. Anschließend wird die Abhängigkeit der Leitfähigkeit der Kollektor-Emitter-Strecke vom Steuerstrom über der Basis-Emitter-Strecke erkundet und der Transistoreffekt entdeckt. Nachdem das Zusammenspiel von Basis-Emitter- und Kollektor-Emitter-Strecke offenbart ist, wird das Verhalten des Transistors als Ganzes anhand der charakteristischen Eingangs- und Ausgangskennlinie erkundet. Dabei bleibt die Versuchsreihe stets auf phänomenologischer Ebene. Die festkörpertheoretischen Hintergründe der Beobachtungen müssen gesondert behandelt werden.

Sicherheitshinweise

Bei der Durchführung der beschriebenen Versuche sind die jeweiligen Spezifikationen der verwendeten elektrischen Bauelemente zu beachten. Die Nichtbeachtung der Verwendungshinweise kann zum Defekt einzelner der mehrerer Bauelemente führen.
Die dargestellten Versuche arbeiten mit Gleichspannungen im unteren Niederspannungsbereich. Trotzdem ist mit der üblichen Bedachtheit vorzugehen. Man bedenke, Strom macht klein, schwarz und hässlich!

Literatur

  1. Duit, Häussler, Kircher (1981): Unterricht Physik; Aulis Verlag, Köln

Siehe auch

Schaltung einer Treppenhausbeleuchtung